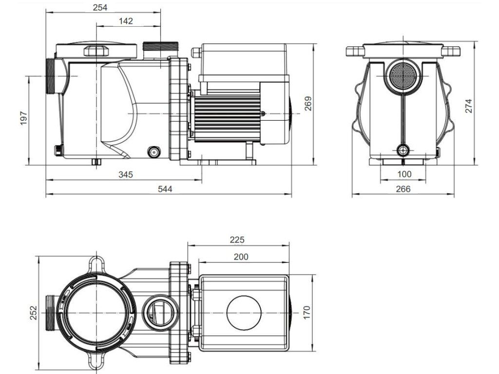
InverEco DE15
Detailní popis produktu
InverEco DE15Invertorové čerpadlo pro domácí bazény. Díky invertorové technologii lze přesně regulovat otáčky motoru.
V případě zpětného toku může čerpadlo pracovat na 100 %. Při denní filtraci a cirkulaci vody, které vyžadují nižší průtok, může čerpadlo pracovat s nižším výkonem a dosahuje tak mimořádně nízké hlučnosti a energetické účinnosti. Díky invertorové technologii Aquagem se prodlužuje životnost čerpadla.
.
Vlastnosti:
- Snadno ovladatelný dotykový displej,
- 4 různé časové programy,
- nastavitelný výkon: 30 % ~ 100 %,
- zobrazení spotřeby energie,
- Spuštění zpětného praní pouhým stisknutím tlačítka.
Diskuze
Buďte první, kdo napíše příspěvek k této položce.
